PCIE5.0 (SMT系列)
PCIE5.0(飞机扣/蝴蝶扣/锁扣系列)
PCIE4.0 (SMT系列)
PCIE4.0 (STRADDLE系列)
PCIE4.0(飞机扣/蝴蝶扣/锁扣系列)
DDR5 SODIMM R/A 90°
DDR5 DIMM U/DIMM
DDR5 DIMM R/DIMM
DDR4 SODIMM R/A 90°
DDR4 DIMM DIP直插
DDR4 DIMM SMT
DIP 180°
R/A 90°
SMT
STRADDLE
PCIE-G4 / GEN4.0 PCIE4.0
9.9H
9.0H
8.0H
7.0H
6.8H
5.6H
5.2H
4.0H
2.25H
3.2H
3.5H
4.2H
5.5H
6.7H
8.5H
zQSFP & QSFP28 CAGE
zQSFP & QSFP28 CONN
QSFP+ CAGE
QSFP+ CONN
SFP28 (zSFP)
SFP/SFP+ CONN
SFP/SFP+ CAGE
RA 90°
SMT 29PIN
Mini SAS
CF CARD
CF EJECTOR
DIP
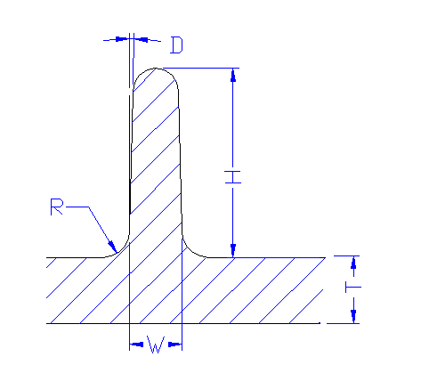
(PCI-E 弯插连接器)主体肉厚: T
拔模角度D: 0.5° --1.5 °
加强筋高度: 小于5T(一般为2T—3T
加强筋间距: 2T—3T
连接圆弧半径: R=0.25—0.4T
宽度(W): 0.4—0.8T(PC/ABS小于0.5T,
ABS为0.5-0.7T)文章连载中,敬请期待更新,谢谢!